Product Summary
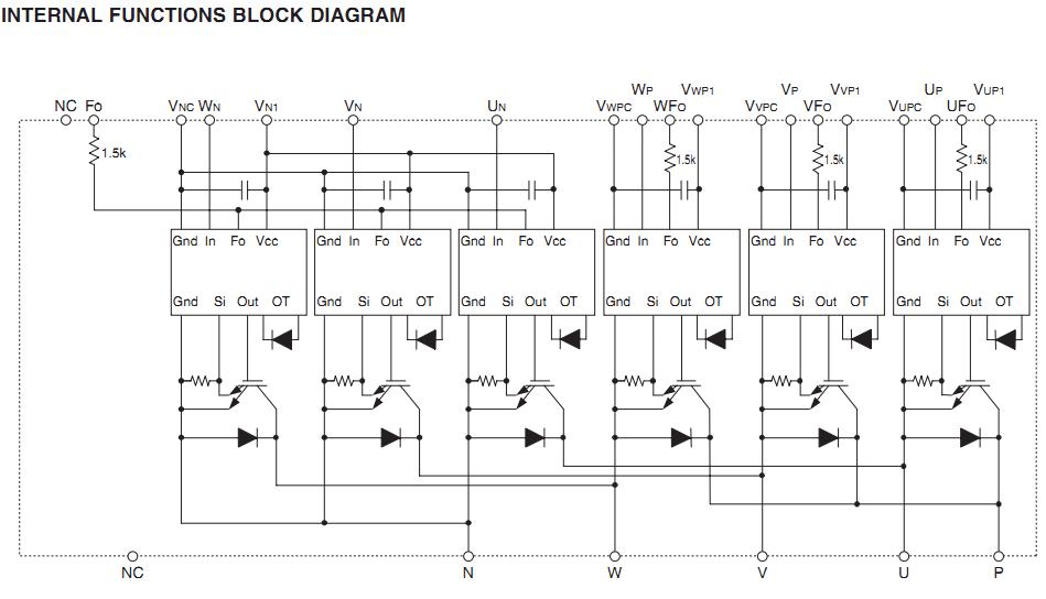
The PM75CL1A120 is an intelligent power module suitable for General purpose inverter, servo drives and other motor controls.
Parametrics
PM75CL1A120 absolute maximum ratings: (1)Collector-Emitter Voltage, VCES: 1200V when VD = 15V, VCIN = 15V; (2)Collector Current, ±IC: 75A when TC = 25℃; (3)Collector Current (Peak), ±ICP: 150A when TC = 25℃; (4)Collector Dissipation, PC: 595W when TC = 25℃; (5)Junction Temperature, Tj: -20 to 150℃.
Features
PM75CL1A120 features: (1)Adopting new 5th generation Full-Gate CSTBTTM chip; (2)The over-temperature protection which detects the chip surface temperature of CSTBTTM is adopted; (3)Error output signal is possible from all each protection upper and lower arm of IPM; (4)Compatible L-series package.
Diagrams

| Image | Part No | Mfg | Description | ![]() |
Pricing (USD) |
Quantity | ||||||||||||||
|---|---|---|---|---|---|---|---|---|---|---|---|---|---|---|---|---|---|---|---|---|
![]() |
![]() PM75CL1A120 |
![]() Other |
![]() |
![]() Data Sheet |
![]() Negotiable |
|
||||||||||||||
| Image | Part No | Mfg | Description | ![]() |
Pricing (USD) |
Quantity | ||||||||||||||
![]() |
![]() PM75-100K |
![]() |
![]() INDUCTOR UNSHIELD 10UH 10% SMT |
![]() Data Sheet |
![]() Negotiable |
|
||||||||||||||
![]() |
![]() PM75-100K-RC |
![]() Bourns |
![]() Power Inductors 10uH 10% |
![]() Data Sheet |
![]()
|
|
||||||||||||||
![]() |
![]() PM75-101K |
![]() |
![]() INDUCTOR UNSHIELD 100UH 10% SMT |
![]() Data Sheet |
![]() Negotiable |
|
||||||||||||||
![]() |
![]() PM75-101K-RC |
![]() J.W. Miller |
![]() Power Inductors Power Inductor, Non-Shielded |
![]() Data Sheet |
![]() Negotiable |
|
||||||||||||||
![]() |
![]() PM75-120K |
![]() |
![]() INDUCTOR UNSHIELD 12UH 10% SMT |
![]() Data Sheet |
![]() Negotiable |
|
||||||||||||||
![]() |
![]() PM75-120K-RC |
![]() J.W. Miller |
![]() Power Inductors MAGNETICS - NON-SHIELDED POWER INDUCTOR |
![]() Data Sheet |
![]() Negotiable |
|
||||||||||||||
(China (Mainland))









